Products

Efficient Operation

Mechanical components for friction between moving parts
Products
CA550G17-2  Agricultural Steel Conveyor CA550 Roller Chains With G17-2 Attachment
  • CA550G17-2  Agricultural Steel Conveyor CA550 Roller Chains With G17-2 AttachmentCA550G17-2  Agricultural Steel Conveyor CA550 Roller Chains With G17-2 Attachment

CA550G17-2 Agricultural Steel Conveyor CA550 Roller Chains With G17-2 Attachment

Raydafon Group's CA550G17-2 Agricultural Steel Conveyor Chain, featuring CA550 roller chains with G17-2 attachments, delivers durable, reliable performance for farming and industrial applications, enhancing efficiency and reducing downtime for growers and manufacturers.

CA550G17-2 Agricultural Steel Conveyor CA550 Roller Chains With G17-2 Attachment

CA550G17-2  Agricultural Steel Conveyor CA550 Roller Chains With G17-2 Attachment
Product Description
Raydafon’s agricultural roller chain is available in drive series and conveyor series. It is manufactured of hardened steel parts to precise tolerances. This chain is fabricated of high quality mate- rials which increase the strength of our chain, providing longer life within their service range.

Raydafon’s agricultural roller chains meet the demands of today’s larger equipment and exceed industry stan- dards. Our agricultural chains have been trusted for more than 50 years in many applications such as corn gather- ing, elevator feed stations, forage har- vesters and grain handling. Our agricultural roller chain is carefully engineered and manufactured for long life and reduced wear.
CA550G17-2  Agricultural Steel Conveyor CA550 Roller Chains With G17-2 Attachment
CA550G17-2  Agricultural Steel Conveyor CA550 Roller Chains With G17-2 Attachment
CA550G17-2  Agricultural Steel Conveyor CA550 Roller Chains With G17-2 Attachment
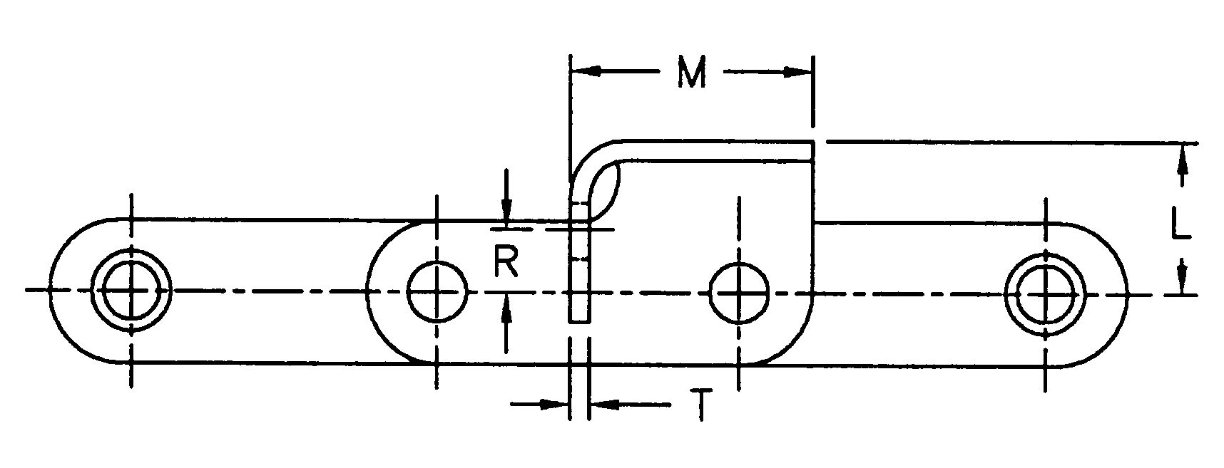
Att. No.
Chain No.

J

K

L

M

N

R

T
G17-2
CA550
2.500
3.328
.750
1.250
.281
.500
.105
we are specialised in producing Agricultural Roller Chain, Flat Top Chain,Caterpillar Track Chain,Hollow Pin Chain,Conveyor Chain for Beer Filling and Packing Line,Paver Chain,Attachment Sidebar Elevator Chain,Bucket Elevator Chain (Cement Mill Chain),Forging Scraper Chain,Loading Chain for Automobile Industry,Loading Chain for Metallurgical Industry,Conveyor Chain for Mine Machinery,Trencher Chain,Sugar Mill Chain,Double Flex Chain,etc. Welcome calls and emails to inquiry!
Contact us: We care about our valued buyers, if you have any questions, our Customer Service staffs will be very glad to help you. We try our best to reply to your emails as soon as possible, however, due to high volume of daily incoming emails and time zone difference, we may not be able to reply your emails immediately. Please allow 24 business hours for us to response.
For more types,Please click here!
Our Main procucts

Please click on the photos below to visit their websites.

CA550G17-2  Agricultural Steel Conveyor CA550 Roller Chains With G17-2 Attachment
CA550G17-2  Agricultural Steel Conveyor CA550 Roller Chains With G17-2 Attachment
CA550G17-2  Agricultural Steel Conveyor CA550 Roller Chains With G17-2 Attachment
Hot Tags: CA550G17-2 Agricultural Steel Conveyor Roller Chains, Raydafon Transmission, Raydafon Power, Supplier, Manufacturer, Factory, China, G17-2 Attachment Roller Chains
Send Inquiry
Contact Info
X
We use cookies to offer you a better browsing experience, analyze site traffic and personalize content. By using this site, you agree to our use of cookies. Privacy Policy
Reject Accept