Products

Efficient Operation

Mechanical components for friction between moving parts
Products
Taper Bore Weld on Hubs
  • Taper Bore Weld on HubsTaper Bore Weld on Hubs
  • Taper Bore Weld on HubsTaper Bore Weld on Hubs
  • Taper Bore Weld on HubsTaper Bore Weld on Hubs
  • Taper Bore Weld on HubsTaper Bore Weld on Hubs

Taper Bore Weld on Hubs

Raydafon Group's Taper Bore Weld on Hubs offers durable, precision-engineered connections for industrial applications, ensuring reliable performance and superior strength. Ideal for engineers and manufacturers seeking enhanced efficiency and reduced downtime in heavy machinery. Experience seamless operation and peace of mind with our innovative design.

Taper Bore Weld on Hubs

Taper Bore Weld on Hubs
 
 
 
                       Taper Bore Weld on Hubs(F Type and S Type)
Taper Bore Weld on HubsTaper Bore Weld on HubsTaper Bore Weld on Hubs
 
Detailed Product Description
 

 

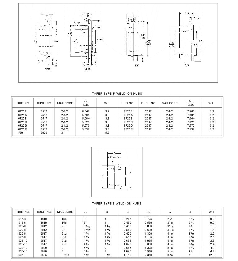
F and S Weld-on Hubs: 6F25P - F30; S16-4 - S35


 
 
Quick Detail:
 
F and S Weld-on Hubs
Cast Iron material
Standard and non-standard available
With high quality and competitive price

Packing as per customer’s demand.
 
 
Description:
 
W and WH taper Weld-on Hubs: W12,W16,W20,W25,W30,W35,W40,W45,WH12,WH16-1,WH20,WH25,WH30-2,WH35,WH40,WH45,WH50
 

We supply following products:  

1) Taper Bushes: 1008, 1108, 1210, 1215, 1310, 1610, 1615, 2012, 2017,2517, 2525, 3020,3030, 3525, 3535, 4030, 4040, 4535,4545, 5040,5050, 6050, 7060, 8065, 10085, 12010  different bores with keyway are available in metric and in inches.


2) W and WH taper Weld-on Hubs: W12 - W45; WH12 - WH50


3) K and WA Weld-on Hubs: K25 - K120; WA12 - WA100


4) F and S Weld-on Hubs: 6F25P - F30; S16-4 - S35


5) Taper Bolt-on Hubs: SM1200 - SM3020


6) Taper Adapters: 1215B - 4545B


7) QD Bushes: JA, SH, SDS, SD, SK, SF, E, F, J, M, N, P+, W+, S+


8) QD Weld-on Hubs: JA-A, SH-A, SDS-A, SK-A, SF-A, E-A, F-A, J-A, M-A, N-A


9) Split Type Bushes (STB): G, H; P1, P2, P3, B, Q1, Q2, Q3, R1, R2;S1, S2,Uo (1), Uo (2), U1, U2; W1, W2, Yo


10) Weld-on Hubs for split taper bush: HG1, HH1, HCH1, HP1, HCP1, HP2, HB1, HB2, HQ1,HCQ1, HQ2, HR1, HR2, HS1, HS2, HU0, HU1, HU2, HW1


11) XT Bushing: XTB15, XTB20, XTB25, XTB30, XTB35, XTB40, XTB45, XTB50, XTB60, XTB70, XTB80, XTB100, XTB120.


12) XH hubs: XTH15, XTH20, XTH25, XTH30, XTH35, XTH40, XTH45,XTH50, XTH60, XTH70, XTH80, XTH100, XTH120


13) XTH15F4, XTH15F5, XTH15F6, XTH15F8; XTH20F5, XTH20F6, XTH20F8, XTH20F10, XTH20F12; XTH25F6, XTH25F8, XTH25F10, XTH25F12


14) FHPK bushings: HP23K, FHP1K, FHP8K, FHP2K, FHP3K, FHP9K, FHP4K, FHP10K, FHP5K, FHP20K, FHP12K, FHP13K, FHP14K, FHP15K, FHP16K, FHP17K


15) HP bushings:  HP18, FHP21, FHP22, FHP19, FHP23, FHP6, FHP7, FHP1, FHP8,FHP2, FHP11, FHP3, FHP9, FHP4, FHP10, FHP5, FHP20, FHP12, FHP13, FHP14, FHP15, FHP16, FHP17
 
 


Applications: 
 

For many applications, such as fit into a Sheave, Sprocket, Pin Bush Couple, Pulley etc. used to securely mount the product on to a shaft.
 
 


Specification:
Taper Bore Weld on Hubs
Taper Bore Weld-On Hubs

Taper Type WH Weld-On Hubs

Hub & Bush,Taper Bushes&Hubs,Auto Axle Wheel Hub Flange bush Bearing,Steel Hubs for Split Taper Bushes,Rear hub,motorcycle rear hub bush,Rear Wheel Hub,Motorcycle Parts Bush,bearing bush water pump bearing hub bearing,wheel hub bearing,longer linear bearing,sliding bearing,Steel Hubs for bush,hub oil seal/ bush,electric bicycle hub motor,Hub with taper lock bush,Steel Bushing and Hubs,Hub Carrier Bush

 

 

 

 

Taper Bore Weld on Hubs

Raydafon Group is a specialist in making all kinds of mechanical transmission products and hydraulic transmission products, such as planetary gearboxes, worm reducers, in-line helical gear speed reducers, parallel shaft helical gear reducers, helical bevel reducers, helical worm gear reducers, agricultural gearboxes, tractor gearboxes, auto gearboxes, PTO shafts, special reducer & related gear components and other related products, hydraulic cylinder, gear pumps and so on. Furthermore, we can produce customized variators, geared motors, electric motors and other hydraulic products according to customers'drawings.
We have exported our products to customers all over the world and earned a good reputation because of our superior product quality and after-sales service. We warmly welcome customers both at home and abroad to contact with us to negotiate business and cooperate with us.
We staff over 1500 workers, and have CNC turning machines and CNC work centers.
For more details, please check out our products catalogs and machine lists.

Taper Bore Weld on Hubs

Taper Bore Weld on Hubs

 

Hot Tags: Taper Bore Weld on Hubs, Supplier, Manufacturer, Factory, China, Raydafon Transmission, Raydafon, Raydafon Power, Hydraulic Cylinders
Send Inquiry
Contact Info
X
We use cookies to offer you a better browsing experience, analyze site traffic and personalize content. By using this site, you agree to our use of cookies. Privacy Policy
Reject Accept