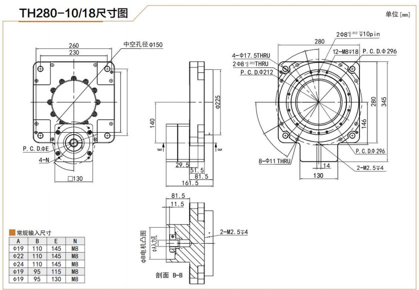
2.Precision gears: torque amplification and speed control are achieved through transmission devices such as planetary gears.
3. Input installation flange: Connect the motor or other drive source to ensure stable power transmission.
4.Input shaft: transmits the rotation of the motor to the internal gear system and may be designed hollow for passing through cables or pipelines.
5.Induction device: such as an encoder, used for real-time detection and feedback of actuator position information, achieving precise control.






















